ℹ Informationen und Bilder zum Sockel: Rimlock, 8pol.
Abmessungen der Fassung:
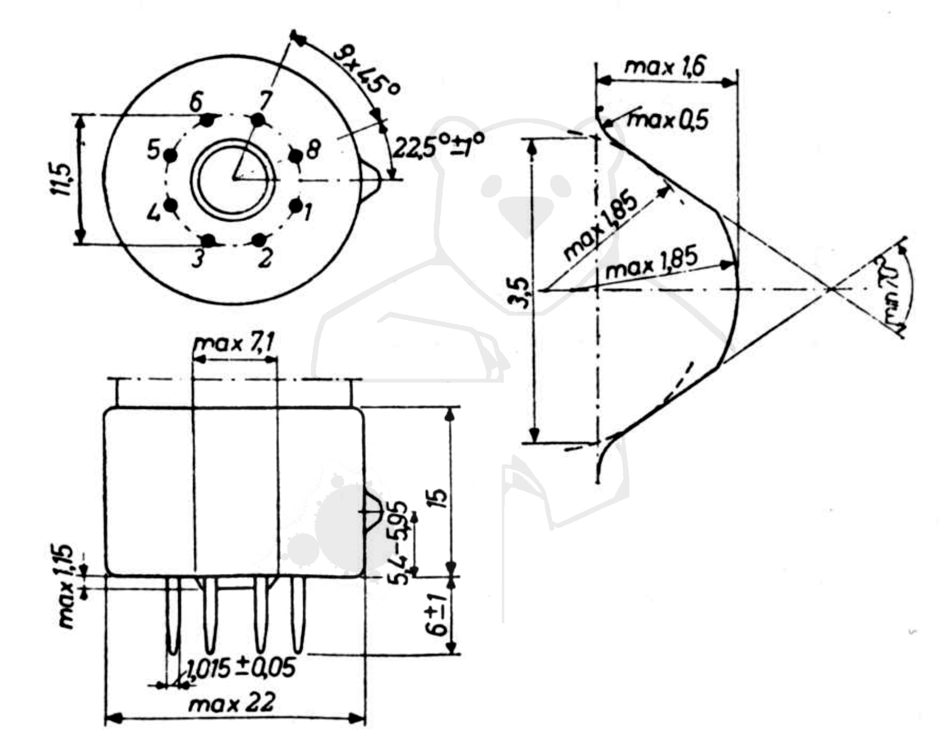
Fassung für Röhren mit: Rimlock, 8pol. aus: Das große Röhrenhandbuch, Franzis Verlag, 1995 München
Bilder der Fassung:

Fassung für Röhren mit: Rimlock, 8pol.

Fassung für Röhren mit: Rimlock, 8pol.

Fassung für Röhren mit: Rimlock, 8pol.
Bilder einer Röhre mit diesem Sockel:

Röhren mit: Rimlock, 8pol.

Röhren mit: Rimlock, 8pol.

Röhren mit: Rimlock, 8pol.

Röhren mit: Rimlock, 8pol. mit Metallkragen

Röhren mit: Rimlock, 8pol. mit Metallkragen

Röhren mit: Rimlock, 8pol. mit Metallkragen
